Gefahrstoffe

Diese Seite enthält aktuelle* Informationen zum Umgang mit Schadstoffen.

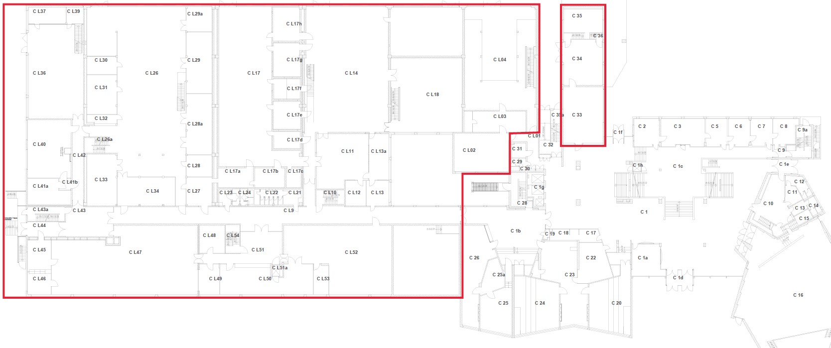
Im Labortrakt des Hauses Grashof (Gebäude C) wurden Materialien geprüft. Dabei wurden Schadstoffe gefunden.

Andere Bereiche sind aktuell nicht betroffen!

*Stand: Mitte März 2026

Informationen für Schwangere und Stillende

 Zutritt für Schwangere und Stillende verboten 

Die Befunde sind eindeutig und liegen bei der aktuellen Messung in der Raumluft unter den gesetzlichen Grenzwerten.
Es handelt sich um

  1. PAK (polyzyklische aromatische Kohlenwasserstoffe) in den schwarzen Fliesen des Fußbodens.
  2. PCB (polychlorierte Biphenyle) in den Dichtungsfugen des Gebäudes im Bereich Türrahmen.

Dennoch dürfen sich Schwangere und Stillende nicht in den Bereichen mit diesen Materialien aufhalten.

Für eine vergrößerte Darstellung bitte auf die Zeichnung oder den Link klicken:
Plan Erdgeschoss Haus Grashof (Gebäude C) mit markiertem Labortrakt (PDF)


Nächste Schritte und Unterstützung

Bitte wenden Sie sich zur Abstimmung des weiteren Vorgehens an die entsprechenden Ansprechpersonen:

Studierende

Bitte wenden Sie sich zur Abstimmung des weiteren Vorgehens an die entsprechenden Ansprechpersonen:
 Sandra Biering (Zentrale Studienberatung)
 sandra.biering[at]bht-berlin.de 
 030 4504-2204 

Wichtig ist: Schwangerschaft sollte der Hochschule gemeldet werden, damit ein Nachteilsausgleich gewährt werden kann.

Beschäftigte

 Susanne Plaumann (Zentrale Frauen- und Gleichstellungsbeauftragte)
​ frauenbeauftragte[at]bht-berlin.de 
 030 4504-2393